CUNG CẤP GIẢI PHÁP CHO HỆ THỐNG SƠN TĨNH ĐIỆN CHUYÊN NGHIỆP

Hệ thống thu hồi sơn 2 cấp lọc
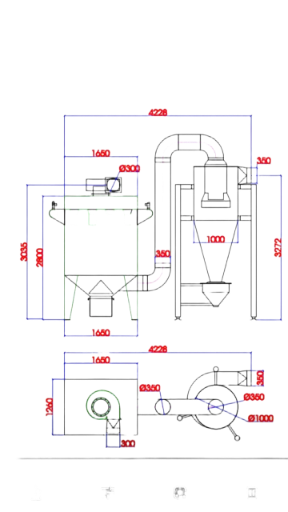
Hệ thống xử lý thu hồi sơn bột hiệu suất cao
1₫
GIỚI THIỆU HỆ THỐNG THU HỒI SƠN 2 CẤP
Hệ thống thu hồi sơn bằng 2 cấp được thiết kế để mang lại không gian làm việc sạch sẽ và không khí trong lành. Với khả năng giữ lại hiệu quả bột sơn, lên đến 99%, thiết bị được trang bị nhiều lõi lọc chất lượng cao (filter giấy hoặc filter nhựa) đi kèm động cơ hút sơn mạnh mẽ, cyclone thể tích lớn. Sản phẩm có kích thước khá lớn, phù hợp với nhiều không gian nhà xưởng rộng rãi và yêu cầu cao về khí thải
THÔNG SỐ KỸ THUẬT
Vật liệu chế tạo: thép CT3
Động cơ: 11-15Kwh
Cơ chế rung rũ (làm sạch): Tự động
Chủng loại FILTER: Giấy hoặc nhựa, thường sử dụng kích thước 320x900 hoặc 320x600
ƯU ĐIỂM
Hệ thống thu hồi sơn 2 cấp có ưu điểm giúp giữ lại hầu hết bụi sơn, gần như triệt để.
Tạo không gian làm việc thoáng đãng, sạch sẽ
Vệ sinh thay màu nhanh
Giải quyết được vấn đề yêu cầu phát thải đầu ra
NHƯỢC ĐIỂM
Bên cạnh các ưu điểm vô cùng tốt của hệ thống thu hồi sơn hai cấp lọc, vẫn còn tồn tại những nhược điểm sau:
Chi phí duy trì cao (thay thế Filter định kì khoảng 6-12 tháng)
Kinh phí đầu tư ban đầu cao hơn nhiều so với hệ thống thu hồi 1 cấp
Các cơ sở không có yêu cầu quá khắt khe về vấn đề khí thải thường ít ưu tiên lắp đặt hệ thống này. Thay vào đó mọi người thường lựa chọn lắp Cyclone đơn, hoăc hê Filter đơn
CÔNG TY TNHH SONTINHDIEN247.COM
Tư vấn và lắp đặt hệ thống dây chuyền sơn tĩnh điện.
LIÊN HỆ:
sontinhdien247@gmail.com
0962994834 - Tú
0969429222 - Vũ
Sontinhdien247.com
Mã số thuế: 0109108770
Địa chỉ: Đội 12 Quốc Tiến - Thôn An Duyên - Xã Chương Dương - TP. Hà Nội
VPMB: KĐT Thanh Hà - Xã Bình Minh - TP Hà Nội
VPMN: Ấp 1A - Vĩnh Lộc A - Huyện Bình Chánh - TP HCM